Electrical schematic sensor symbols.
- Kostka
-
Autor
- Benutzer
-
- Beiträge: 19
- Thanks: 2
Electrical schematic sensor symbols.
14 März 2026 00:05 - 14 März 2026 00:06
Hi
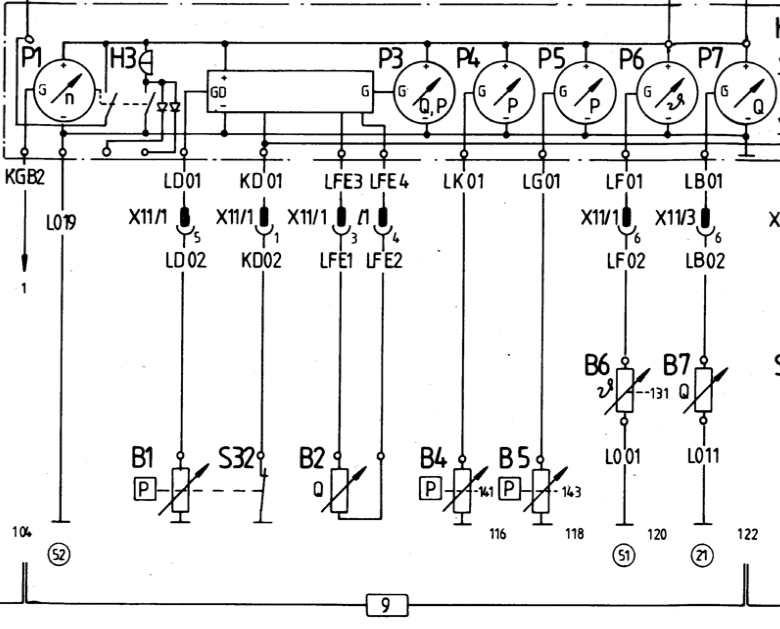
Sorry for not writing in German. I don't speak this language. I've been redrawing electrical schematic in KiCAD, to digitalise it for easier search, translations etc. I do understand electrical schematics in general, however I don't quite understand sensor symbols. Some symbols have "Q", "P" or B6 like symbol. Do you know which letter means what ?
Below (work in progress) I've attached sample digitalised schematic.
Sorry for not writing in German. I don't speak this language. I've been redrawing electrical schematic in KiCAD, to digitalise it for easier search, translations etc. I do understand electrical schematics in general, however I don't quite understand sensor symbols. Some symbols have "Q", "P" or B6 like symbol. Do you know which letter means what ?
Below (work in progress) I've attached sample digitalised schematic.
Letzte Änderung: 14 März 2026 00:06 von Kostka.
Bitte Anmelden oder Registrieren um der Konversation beizutreten.
- Langnase
-
- Benutzer
-
- Beiträge: 300
- Thanks: 55
Re: Electrical schematic sensor symbols.
14 März 2026 01:46
Sensors are determined in german speaking countries with character B. They transfer other units like temperatures or pressure, etc. into electrical signals. The type of sensor is international ( english):
p - pressure
t - temperature
small greek theta character (as on B6) - temperature
v - volume
Q - quality a bit misleading as it is used for volume.
p - pressure
t - temperature
small greek theta character (as on B6) - temperature
v - volume
Q - quality a bit misleading as it is used for volume.
Folgende Benutzer bedankten sich: Kostka
Bitte Anmelden oder Registrieren um der Konversation beizutreten.
- Kostka
-
Autor
- Benutzer
-
- Beiträge: 19
- Thanks: 2
Re: Electrical schematic sensor symbols.
14 März 2026 17:32
Thank you. Makes perfect sense.
Q = quantity (or volume)
B7 measures fuel level
B2 measures oil level
Q = quantity (or volume)
B7 measures fuel level
B2 measures oil level
Bitte Anmelden oder Registrieren um der Konversation beizutreten.
- KlausU
-
- Administrator
-
- Beiträge: 1974
- Thanks: 615
Re: Electrical schematic sensor symbols.
14 März 2026 19:36
Moin,
B1= Oil Pressure
B2= Oil Level
B4= Air Pressure Brake Circuit 1
B5= Air Pressure Brake Circuit 2
B6= Temperature Engine Coolant
B7= Fuel Level
B1= Oil Pressure
B2= Oil Level
B4= Air Pressure Brake Circuit 1
B5= Air Pressure Brake Circuit 2
B6= Temperature Engine Coolant
B7= Fuel Level
Viele Grüße
Klaus
Klaus
Folgende Benutzer bedankten sich: Kostka
Bitte Anmelden oder Registrieren um der Konversation beizutreten.
Ladezeit der Seite: 0.744 Sekunden